合澤製作所
contents
HOME
会社案内
営業内容
自社製品
お問合せ

自社製品

芯出し(偏心)スリーブ

NC旋盤の手間がかかり面倒だったY軸の微調整を一発で決める、軸芯調整式スリーブです。
芯出しでお困りだった方、ぜひ一度お試しください。
<実用新案認可 第3029248号 特許出願中>

テストバー付きデモ品貸し出し中!!

特徴
・簡単な操作で軸芯(芯高)の調整が可能。
・ドリリング加工の精度が向上。
・リーマ・バニシングドリル使用で、穴精度、面精度が向上。
・深穴加工で、「たおれ」が減少。
・ツール取り付け精度向上のため、ビビリの防止に有効。
・中心切、旋削加工が容易。
・焼入研磨仕上げ品。


構造図 原理図


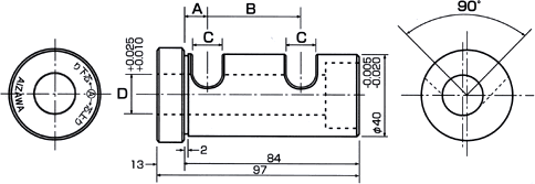
寸法図


お問合せ・ご注文の時は、現在ご使用のNC旋盤の型式および「A」「B」「C」「D」の各サイズをお知らせください。

D寸法は各メーカー共サイズが標準としてあります。
8ミリ・10ミリ・12ミリ・16ミリ・20ミリ・25ミリ・32ミリ
40ミリ以外のものについても製作いたします。